Схема линии

Фото оборудования

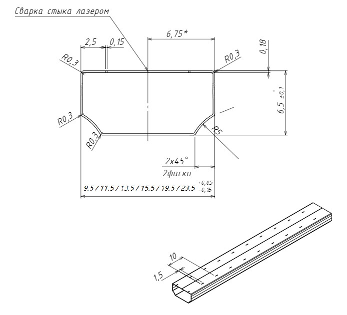
Чертеж изделия

Видео работы оборудования
Схема линии

Фото оборудования

Чертеж изделия

Видео работы оборудования
| Напряжение (В) | 380 |
| Частота (Гц) | 50 |
| Общая мощность (кВт) | 72 |
| Толщина материала (мм) | 0,18 |
| Скорость проката (м/мин) | <60 |
| Материал | Легированная сталь |
| Требования к помещению (м) | 17 х 2,5 х 2,2 |
| Ширина профиля (мм) | 9,5 / 11,5 / 13,5 / 15,5 / 19,5 / 23,5 |
| Общий вес (кг) | 6000 |