Схема линии

Фото оборудования


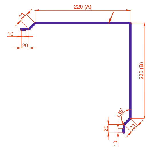
Чертеж изделия

Схема линии

Фото оборудования


Чертеж изделия

| Напряжение (В) | 380 |
| Частота (Гц) | 50 |
| Общая мощность (кВт) | 8,5 |
| Толщина материала (мм) | 0,5-0,7 |
| Скорость проката (м/мин) | ≤15 |
| Марка стали | Оцинкованная сталь |
| Размеры помещения (м) | 11 х 2 х 2 |
| Общий вес (кг) | 3200 |