Схема линии

Фото оборудования

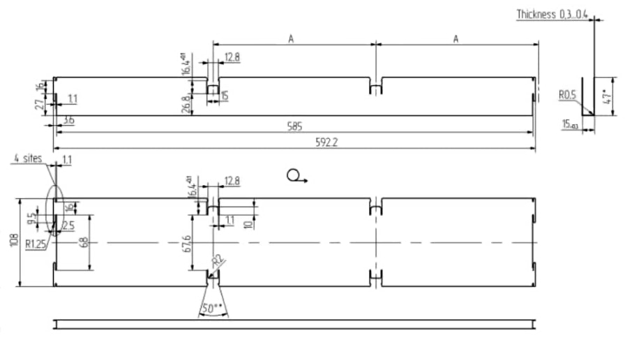
Чертежи изделия


Схема линии

Фото оборудования

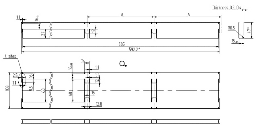
Чертежи изделия


| Напряжение (В) | 380 |
| Частота (Гц) | 50 |
| Производительность (м/мин) | 10 |
| Общая мощность (кВт) | 7,64 |
| Толщина материала (мм) | 0,3-0,4 |
| Материал | Оцинкованная сталь |
| Размеры помещения (м) | 17 х 3 х 2 |
| Общий вес (кг) | 7000 |