Схема линии

Фото оборудования



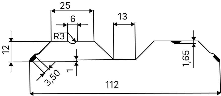
Чертеж изделия

Схема линии

Фото оборудования



Чертеж изделия

| Напряжение (В) | 380 |
| Система управления | PLC |
| Частота (Гц) | 50 |
| Производительность (м/мин) | ≤10 |
| Общая мощность (кВт) | 6 |
| Толщина материала (мм) | 0,3-0,7 |
| Материал | Оцинкованная сталь |
| Размеры помещения (м) | 10 х 2 х 2 |
| Общий вес (кг) | 2150 |