Схема линии

Фото оборудования



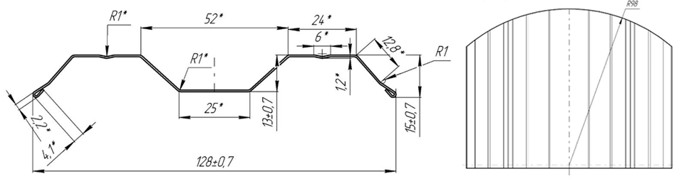
Чертеж изделия

Фото готовой продукции

Схема линии

Фото оборудования



Чертеж изделия

Фото готовой продукции

| Напряжение (В) | 380 |
| Частота (Гц) | 50 |
| Производительность (м/мин) | ≤20 |
| Общая мощность (кВт) | 9 |
| Толщина материала (мм) | 0,4-0,45 |
| Управление | PLC |
| Материал | Оцинкованная сталь |
| Размеры помещения (м) | 12 х 2 х 2 |
| Общий вес (кг) | 1700 |